Din webbläsare stöds ej. För bästa upplevelsen rekommenderas en nyare version eller en annan webbläsare.

Stallfläkt 4S30, 230 V, 0,5 A, 1800 m3/h EMI Professional

0111321430
Pris exkl. moms4 648
Pris inkl. moms5 810
Listpris exkl. moms4 648
Listpris inkl. moms5 810
Saldo Hässleholm 3
Beställt 0
Produktfråga

Vad vill du veta om Stallfläkt 4S30, 230 V, 0,5 A, 1800 m3/h EMI Professional?

Skicka

Beskrivning

EMI-Professional. Mycket lämplig som stallfläkt, eller väggfläkt där ventilation behövs.

Måttmässigt lika Multifan fläktarna, men med ännu bättre prestanda och livslängd.

Fläktvingen är tillverkad av polypropylen vilket medför en god balans, lång livslängd, låga strömkostnader och den är skonsam mot lager.
Fläktramen är av helgjuten polyuretan och är 100% rostfri (storlek 300-1250 mm).
Den är aerodynamiskt utformad vilket gör att ljudnivån på fläkten är låg och verkningsgraden hög.
Skyddsgallret är behandlat för att motstå korrosion och utformad för bästa säkerhet. Den demonteras enkelt vid rengöring.
Motorarmarna är tillverkade i rostfritt stål samt upphängda på ett sådant sätt att de absorberar eventuella vibrationer från motor och fläktvinge.
Motorn är speciellt konstruerad för varvtalsregleringen.
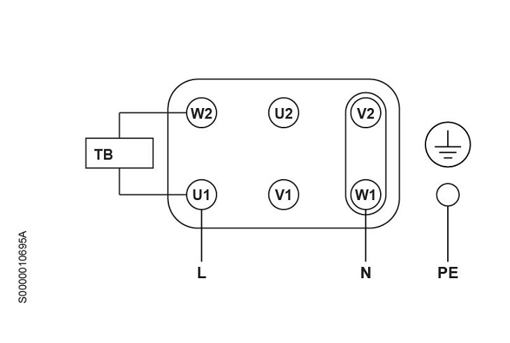
Motorhuset är tillverkat av gjuten aluminium och har ett en skyddsklass på IP55 som krävs för att få montera i ett djurstall.
Den är utrustad med överhettningsskydd (termokontakt).
Motorn har isolationsklass F, vilket innebär att den är värmeresistent till 155°C.
Den har dubbeltätade kullager med specialfett som tål upp till 155°C

Läs mer ...Stäng

Egenskaper

Artikel
V4S30EAE10100
Spänning
230V 1-Fas
Varvtal
1415rpm
Effekt
100W
Ampere
Drift:0,5A Max:0,7A
Kondensator
3uF
dB vid 2m
58dB
Vikt
11,5kg
Kartong
460x460x315mm

Betyg & kommentarer

Sätt ett betyg

För att ange betyg för produkten behöver ni vara inloggad.
Jalusislutare VK för 30 cm fläkt
Pris exkl.455
Pris inkl.568.75
Stallfläkt 4S45, 230 V, 1,5 A, 5450m3/h 50Pa EMI Professional
Pris exkl.6 648
Pris inkl.8 310
Motorskydd TFE S-ET10 0,40-10A  IP54 230V 1-Fas
Pris exkl.860
Pris inkl.1 075
Styrning PTE6Q Temperatur analog automatisk
Pris exkl.5 586
Pris inkl.6 982.50
Trumfläkt MF 4E40 1-fas 200W 4100m3/h 50Pa P4E40CAM11100
Pris exkl.5 464
Pris inkl.6 830
Produkten har lagts i din varukorg Visa varukorgenTill kassan